Hi,
Can anyone tell me how the parallel port cable should be wired for a Dataman 48?
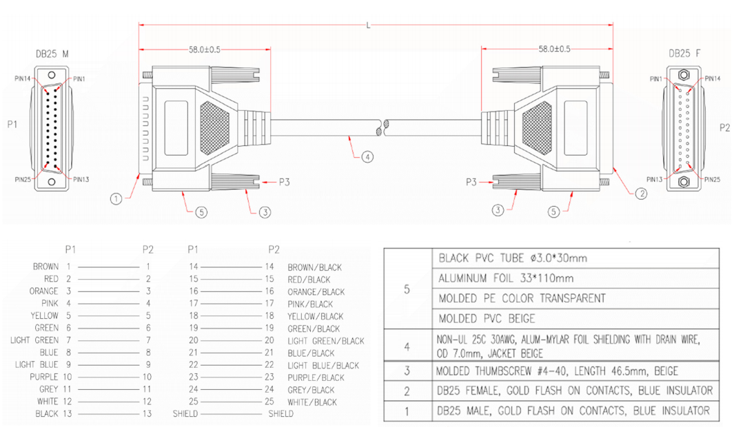
Is it just straight-through pin 1 - pin 1, pin 2 - pin 2 etc. upto pin 25 , or something different?
Thanks in advance,
Mike
Parallel port cable for Dataman 48
-
Dataman (Neil Parker)
- Posts: 983
- Joined: 10 Nov 2011 09:51
Re: Parallel port cable for Dataman 48
Hello Mike,
Yes, the standard parallel cable is wired 1:1 If you have any further questions, please contact me.
Best regards,
Neil Parker
Dataman programmers
Yes, the standard parallel cable is wired 1:1 If you have any further questions, please contact me.
Best regards,
Neil Parker
Dataman programmers
Best regards,
Neil Parker
Dataman Programmers
Neil Parker
Dataman Programmers
Return to “Dataman 48, 48LV, 48XP and 48UXP”
Who is online
Users browsing this forum: No registered users and 14 guests
